ce

1.4  平面图形的绘制

当前位置:机械制图1 制图的基本知识与技能 》1.4  平面图形的绘制

 

返回目录

 

★1.4.1  平面图形的尺寸分析   定形尺寸  定位尺寸

★1.4.1.1  定形尺寸:  是指确定平面图形上几何元素形状大小的尺寸

★1.4.1.2  定位尺寸:  是指确定各几何元素相对位置的尺寸

★1.4.1.3尺寸基准:    标注尺寸的起点称为尺寸基准

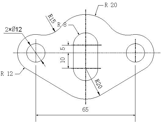
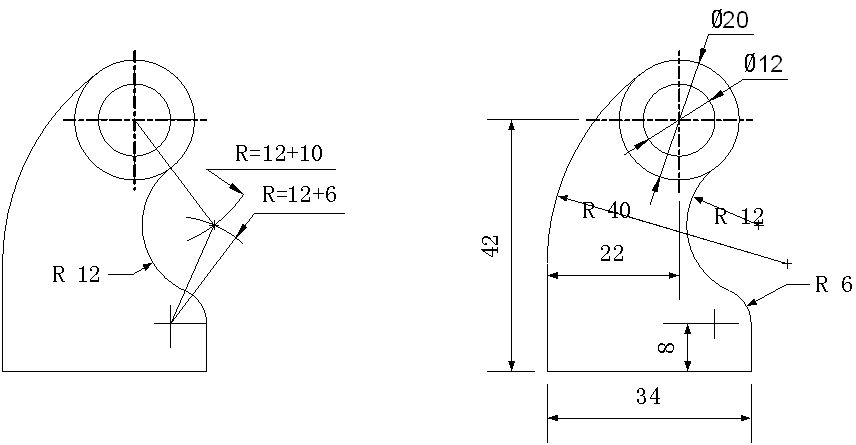
★1.4.2  线段分析:根据定形、定位尺寸是否齐全,将平面图形中的图线分为: 已知线段 、中间线段、连接线段

★1.4.2.1 已知线段:定形、定位尺寸齐全的线段

★1.4.2.2 中间线段:只有定形尺寸和一个定位尺寸的线段

★1.4.2.3  连接线段:只有定形尺寸没有定位尺寸的线段

 

★1.4.3平面图形的画图步骤

1、分析平面图形中哪些是已知线段,哪些是连接线段,以及所给定的连接条件。

2、根据各组成部分的尺寸关系确定作图基准、定位线

3、依次画已知线段、中间线段和连接线段

4、标注尺寸

★1.4.4平面图形的画图步骤

标注尺寸的方法和步骤

1、先选择水平和垂直方向的基准线;

2、确定图形中各线段的性质;

3、按已知线段、中间线段、连接线段的次序逐个标注尺寸

不同形状的平面图形的尺寸标注示例

q

当前位置:机械制图1 制图的基本知识与技能 》1.4  平面图形的绘制

 

返回目录

 

联系我们:lgg6388@126.com