★3.3.1 相贯线的性质
两个基本体相交(或称相贯),表面产生的交线称为相贯线。由于 基本体有平面立体和曲面立体之分,所以相交时有平面立体与平面
立体相交、平面立体与曲面立体相交和曲面立体与曲面立体相交三
种情况。前两种情况的相贯线,可看作是平面与平面相交或平面与
曲面相交所产生的交线,可用上节求平面与立体截交线的方法来作
出。本节只讨论最为常见的两个曲面立体相交的问题。
由于相交的两个曲面立体的几何形状不同或它们的相对位置不同,相贯线的形式也各不相同,但他们都具有以下两个共同的性质:
(1)相贯线是两个曲面立体表面的共有线,也是两个曲面立体表面的分界线。相贯线上的点是两个曲面立体表面的共有点。
(2)两个曲面立体的相贯线一般为封闭的空间曲线,特殊情况下可能是平面曲线或直线。
求两个曲面立体相贯线的实质就是求它们表面的共有点。作图时,依次求出特殊点和一般点,判别其可见性,然后将各点光滑连接起来,即得相贯线。
★3.3.2 相贯线的画法
两个相交的曲面立体中,如果其中一个是柱面立体(常见的是圆柱面),且其轴线垂直于某投影面时,相贯线在该投影面上的投影一定积聚在柱面投影上,相贯线的其余投影可用表面取点法求出。
|
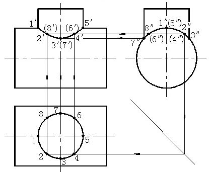
例3-8 如图3-21(a)所示,求正交两圆柱体的相贯线。
分析:两圆柱体的轴线正交,且分别垂直于水平面和侧面。相贯线在水平面上的投影积聚在小圆柱水平投影的圆周上,在侧面上的投影积聚在大圆柱侧面投影的圆周上,故只需求作相贯线的正面投影。 |
 |
|
作图方法与步骤如右图所示:
动画演示 |
 |
1.求特殊点。与作截交线的投影一样,首先应求出相贯线上的特殊点,特殊点决定了相贯线的投影范围。由图3-21(a)可知,相贯线上I、V两点是相贯线上的最高点,同时也分别是相贯线上的最左点和最右点。III、VII两点是相贯线上的最低点,同时也分别是相贯线上的最前点和最后点。定出它们的水平投影1、5、3、7和侧面投影1″、(5″)、3″、(7″),然后根据点的投影规律可作出正面投影1′、5′、3′、(7′)。
2.求一般点。在相贯线的水平投影圆上的特殊点之间适当地定出若干一般点的水平投影,如图中2、4、6、8等点,再按投影关系作出它们的侧面投影2″、(4″)、(6″)、8″。然后根据水平投影和侧面投影可求出正面投影2′、4′、(6′)、(8′)。
3.判断可见性。只有当两曲面立体表面在某投影面上的投影均为可见时,相贯线的投影才可见,可见与不可见的分界点一定在轮廓转向线上。在图3-21中,两圆柱的前半部分均为可见,可判定相贯线由1、5两点分界,前半部分1′
2′ 3′ 4′ 5′ 可见,后半部分5′(6′)(7′)(8′)1′
不可见且与前半部分重合。
4.依次将1′、2′、3′、4′、5′ 光滑连接起来,即得正面投影。
相贯线的作图步骤较多,如对相贯线的准确性无特殊要求,当两圆柱垂直正交且直径有相差时,可采用圆弧代替相贯线的近似画法。如图3-22所示,垂直正交两圆柱的相贯线可用大圆柱的D/2为半径作圆弧来代替。

两圆柱正交有三种情况:

两圆柱正交有三种情况(内圆柱面):

|
★3.3.3 相贯线的特殊情况
1.两个曲面立体具有公共轴线时,相贯线为与轴线垂直的圆,如右图所示。 |
 |
|
2.当正交的两圆柱直径相等时,相贯线为大小相等的两个椭圆(投影为通过两轴线交点的直线),如图3—25所示。
 |
3.当相交的两圆柱轴线平行时,
相贯线为两条平行于轴线的直线,如 图3-26所示。
 |