★6.7 机件表达方法综合运用举例
★6.7.1 机件各种表达方法小结
本章介绍了视图、剖视图、断面图及一些规定画法和简化画法,这些
表达方法在表达机件时有着各自的特点和应用场合。参见教材表6-3。
视图——主要用于表达机件的外部形状。包括基本视图、向视图、局部视图、斜视图视图——主要用于表达机件的外部形状 。
剖视图——主要用于表达机件的内部形状。包括全剖视图、半剖视图、 局部剖视图、阶梯剖视图、旋转剖视图、斜剖视图、组合剖视图。
断面图——用于表达机件的断面形状 。包括移出断面图和重合断面图。
★6.7.2 选用原则
在选择表达机件的图样时,首先应考虑看图方便,并根据机件的结构 特点,用较少的图形,把机件的结构形状完整、清晰地表达出来。
在这一原则下,还要注意所选用的每个图形,它既要有各图形自身明确
的表达内容,又要注意它们之间的相互联系。
★6.7.3 综合运用举例
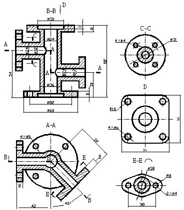
以阀体为例,说明表达方法的综合运用。

1、图形分析
阀体的表达方案共有五个 图形:两个基本视图(全剖 主视图“B—B”、全剖俯视图 “A—A”)、一个局部视图
(“D”向)、一个局部剖视 图(“C—C”)和一个斜剖的
全剖视图(“E—E旋转”)。
|
主视图“B—B”是采用旋转剖画出的全剖视图,表达阀体的内部结构形
状;俯视图“A—A”是采用阶梯剖画出的全剖视图,着重表达左、右管道;
的相对位置,还表达了下连接板的外形及4×φ5小孔的位置。
“C—C”
局部剖视图,表达左端管连接板的外形及其上4×φ4孔的大小
和相对位置;“D”向局部视图,相当于俯视图的补充,表达了上连接板的
外形及其上4×φ6孔的大小和位置。
因右端管与正投影面倾斜45°,所以采用斜剖画出“E—E”全剖视图,
以表达右连接板的形状。 |
 |
2、形体分析
由图形分析中可见,阀体的构成大体可分为管体、上连接板、下连 接板、左连接板、右连接板等五个部分。
管体的内外形状通过主、俯视图已表达清楚,它是由中间一个外径为
36、内径为24的竖管,左边一个距底面54、外径为24、内径为12的横管
,右边一个距底面30、外径为24、内径为12、向前方倾斜45°的横管三
部分组合而成。三段管子的内径互相连通,形成有四个通口的管件。
阀体的上、下、左、右四块连接板形状大小各异,这可以分别由主视 图以外的四个图形看清它们的轮廓,它们的厚度为8 。
通过分析形体,想象出各部分的空间形状,再按它们之间的相对位置组
合起来,便可想象出阀体的整体形状。