ce

8.5 零件图尺寸的合理标注

当前位置:机械制图第八章 零件图8.5 零件图尺寸的合理标注

 

返回目录

 
q

★8.5 零件图尺寸的合理标注

     为合理标注尺寸,必须对零件进行结构分析和工艺分析,确定零件的基准,选择合理的标注形式。
基准
标注尺寸的一些原则 

基准是指零件在机器中或在加工测量时,用以确定其位置的一些面、线或点。
基准可以分为:
(1) 设计基准是在机器工作中确定零件位置的一些面、 线或点;
(2) 工艺基准是在加工或测量时确定零件位置的一些面、 线或点。

 
基准的选择
从设计基准出发标注尺寸,其优点是尺寸标注反映设计要求,能保证所设计的零件在机器上的工作性能。
从工艺基准出发标注尺寸,其优点是把尺寸标注与零件的加工制造联系起来,在标注尺寸上反映了工艺要求,使零件便于制造、加工和测量。
标注尺寸时,最好把设计基准和工艺基准统一起来。两者不能统一时,应以保证设计要求为主。


标注尺寸的一些原则
(一)考虑设计要求
1 功能尺寸要直接标注出来
功能尺寸是指影响产品工作性能、精度及互换性的重要尺寸。
2 联系尺寸要互相联系起来
常见的联系有轴向联系(直线配合尺寸)、径向联系(轴孔配合尺寸)和一般联系(确定位置的定位尺寸)。
3 不要注成封闭尺寸链(头尾相接,绕成一整圈的一组尺寸)
 
(二)考虑工艺要求
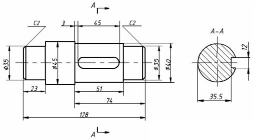
 1 按加工顺序标注尺寸。
 2 按不同加工方法尽量集中标注尺寸。

 3 铸件、锻件按形体标注尺寸,给制作铸模和锻模带来方便。
 4 毛面与加工面的尺寸按两组尺寸分别标注,各个方向要有一个尺寸把它们联系起来。

如:
    毛面与加工面间尺寸注法
    便于测量的尺寸注法
    零件上常见结构的尺寸注法

当前位置:机械制图第八章 零件图8.5 零件图尺寸的合理标注

 

返回目录

 

联系我们:lgg6388@126.com