★8.3.4 螺纹的标记
1 普通螺纹
普通螺纹用得最广泛,螺纹紧固件(
螺栓、螺柱、螺钉、螺母等零件)上的螺纹一般均为普通螺纹。
普通螺纹分粗牙普通螺纹和细牙普通螺纹。细牙普通螺纹多用于精密零件和薄壁零件上。
在螺纹的标记中,细牙普通螺纹的螺距必须注出,而粗牙普通螺纹的螺距一般不标注。
普通螺纹的标记由五部分组成:

例:
M
10×1 - 7H
- L
- LH
普通螺纹的特征代号和尺寸代号
特征代号:M (表示普通螺纹)
尺寸代号:公称直径×螺距(多线螺纹的导程和螺距均要注出,单线粗牙普通螺纹螺距不标注)。
“M10”表示
公称直径为10 mm、螺距1.5 mm的单线粗牙普通螺纹。
“M10×1”表示
公称直径为10mm、螺距为1 mm的单线细牙普通螺纹。
普通螺纹的公差带代号
由公差等级(数字)和基本偏差(外螺纹用小写字母、内螺纹用大写字母表示)所组成,例如5g6g、6g、6H、7H。
当螺纹中径公差带与顶径公差带代号不同时,需分别注出,如:

当中径与顶径公差带代号相同时,只注一个代号,如:
M10×1― 7H
公差带代号为 6g 或 6H(公称直径≥ 1.6mm)时不标注。
普通螺纹的旋合长度
有长、中、短三种,分别用代号L、N、S表示。
M10-5g6g―S 为短旋合长度的螺纹
M10―7H―L 为长旋合长度的螺纹
当螺纹为中等旋合长度时,代号N不标注。
当特殊需要时,可注明旋合长度的数值。
M20×2―5g6g―40
旋向代号 左旋时标注LH,右旋时不标注。
M10―7H―L ―LH 为左旋螺纹
M10―7H―L 为右旋螺纹
2 管螺纹
管螺纹一般用于管路(水管、油管、煤气管等)的连接中。管螺纹的标记用指引的方法标注,指引线指到螺纹的大径上。
管螺纹的标记
由螺纹特征代号、尺寸代号 和旋向组成。
尺寸代号不是螺纹大径的大小,
而是管子的通径(英制)大小。
标记中未注写旋向的均为右旋。 |
 |
55°非密封管螺纹的标记示例:
G: 非密封管螺纹的螺纹特征代号;
G3/4: 尺寸代号为3/4的单线右旋圆柱内螺纹;
G3/4A或G3/4B: 尺寸代号为3/4的单线右旋圆柱外螺纹,
标记中的A和B是螺纹中径的公差等级;
G3/4LH和G3/4A-LH中的LH表示左旋螺纹,二者构成的螺纹副仅标注外螺纹的标记代号。
55°密封管螺纹的标记示例:
Rp3/4LH:尺寸代号为3/4的单线左旋圆柱内螺纹;
Rc3/4: 尺寸代号为3/4的单线右旋圆锥内螺纹; Rp/R13/4
LH和Rc/R23/4:内螺纹与外螺纹旋合构成螺纹副。 Rp
:密封圆柱内螺纹的螺纹特征代号; Rc
:密封圆锥内螺纹的螺纹特征代号; R1
:与圆柱内螺纹相配合的圆锥外螺纹的特征代号; R2
:与圆锥内螺纹相配合的圆锥外螺纹的特征代号;
3 梯形螺纹和锯齿形螺纹
梯形螺纹和锯齿形螺纹常用于传递运动和动力的丝杠上。
梯形螺纹工作时牙的两侧均受力,而锯齿形螺纹在工作时是单侧面受力。
梯形螺纹和锯齿形螺纹的标记与普通螺纹类同。
梯形螺纹的标记示例
Tr40×7LH-7e,
梯形螺纹(螺纹特征代号为Tr), 公称直径φ40
,单线,螺距7,左旋,中径公差带代号7e;中等旋合长度。 注意:
只标注中径公差带代号,旋合长度只有两种(代号N和L),当中等旋合长度时,N省略不注。
当螺纹为多线螺纹时,标记为:
Tr40×14(P7)-7e ,
其中“14”为导程,“7”为螺距,双线螺纹。
梯形螺纹的螺纹副表示为:Tr40×7-7H/7c,
内螺纹的公差带在前,外螺纹的公差带在后,二者之间用“/”分开。
部分螺纹的标记示例
|
螺纹类别 |
特征代号 |
|
标注示例 |
说明 |
|
连接螺纹 |
普通螺纹 |
M |
粗牙 |
 |
粗牙普通螺纹,公称直径φ10
,螺距1.5(查表获得);外螺纹中径和顶径公差带代号都是6g;内螺纹中径和顶径公差带代号都是6H;中等旋合长度
;右旋 |
|
细牙 |
 |
细牙普通螺纹,公称直径φ8
,螺距1,左旋;外螺纹中径和顶径公差带代号都是6g(公称直径≥
1.6mm、公差带代号为 6g 时不标注)
;内螺纹中径和顶径公差带代号都是7H;中等旋合长度 |
|
连接螺纹 |
管螺纹 |
G |
55º
非密封管螺纹 |
 |
55º非密封管螺纹,外管螺纹的尺寸代号为1,公差等级为A级;内管螺纹的尺寸代号为3/4,内螺纹公差等级只有一种,省略不标注
|
Rc
Rp
R1
R2 |
55º 密封管螺纹 |
 |
55º密封圆锥管螺纹,与圆锥内螺纹配合的圆锥外螺纹的尺寸代号为1/2,右旋;圆锥内螺纹的尺寸代号为3/4,左旋;公差等级只有一种,省略不标注。Rp是圆柱内螺纹的特征代号,R1是与圆柱内螺纹配合的圆锥外螺纹的特征代号 |
|
传动螺纹 |
梯形螺纹 |
Tr |
|
 |
梯形外螺纹,公称直径φ40
,单线,螺距7,右旋,中径公差带代号7e;中等旋合长度
|
|
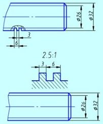
锯齿形螺纹 |
B |
|
 |
锯齿形外螺纹,公称直径φ32,单线,螺距6,右旋,中径公差带代号7e;中等旋合长度 |
|
矩形螺纹 |
|
|
 |
矩形螺纹为非标准螺纹,无特征代号和螺纹代号,要标注螺纹的所有尺寸。单线,右旋;螺纹尺寸如图所示 |