ce

2.3  点的投影

当前位置:机械制图第二章 正投影的基本原理2.3 点的投影 3

上页

返回目录

 

q

★2.3.5  两点的相对位置

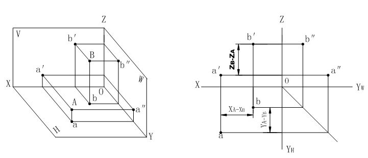
★2.3.5.1  两点的相对位置:空间两点的相对位置,在投影图中是由它们同面投影的坐标差来判别。
     其中左、右由x坐标判别,前、后由y坐标判别,上、下由z坐标判别
(1)距W面远者在左(x坐标大);近者在左(x坐标小);
(2)距V面远者在前(y坐标大);近者在后(y坐标小);
(3)距H面远者在左(z坐标大);近者在左(z坐标小)。

 

已知空间两点的投影,即点A的三个投影aa a 和点B的三个投影bb b″,用AB两点同面投影坐标差就可判别AB两点的相对位置。 由于xA > xB,表示B点在A点的右方;zB > zA,表示B点在A点的上方;yA > yB,表示B点在点的A后方。总起来说,就是B点在A点的右、后、上方。

★2.3.5.1重影点

      若空间两点在某一投影面上的投影重合,则这两点是该投影面的重影点。这时,空间两点的某两坐标相同,并在同一投射线上。当两点的投影重合时,就需要判别其可见性,应注意:对H面的重影点,从上向下观察,z坐标值大者可见;对W面的重影点,从左向右观察,x坐标值大者可见;对V面的重影点,从前向后观察,y坐标值大者可见。在投影图上不可见的投影加括号表示,如(a′)  

 

如:C、D位于垂直H面的投射线上,c、d重影为一点,则C、D为对H面的重影点,z坐标值大者为可见,图中zC > zD,故c为可见,d为不可见,用c(d)表示。

当前位置:机械制图第二章 正投影的基本原理2.3 点的投影 3

上页

返回目录

 

联系我们:lgg6388@126.com